EGULTNI.LV
Sākums Informācija Grozs
Produkti Informācija Distributoru ieeja
×

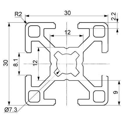
  • P3000A5 Profile 30x30B Slot 8, Custom Length - P30

Pieejams mūsu veikalā
15.73 €/m. (cena ar PVN)
gab. (daudzums)
mm (garums)
Tehniskie parametri: Tips - B Slot - 8 Izmēri 30x30 Gropju skaits - 4 Gropes platums - 8.1mm Gropes dziļums - 9mm Profila galā paredzēta M8 vītnes iestrādāšana Materiāls - ALMgSI0,5 F25 dabiski anodēts Svars 0,847 Kg/m Profilu griešana Jums nepieciešamajā garumā. Minimālais garums: 50mm Maksimālais garums: 6040mm Moment of inertia l x: 2,75 cm4 Moment of inertia l y: 2,75 cm4 Elastic modulus W x: 1,84 cm3 Elastic modulus W y: 1,84 cm3 Ražots Eiropā