EGULTNI.LV
Sākums Informācija Grozs
Produkti Informācija Distributoru ieeja
×

  • P2000A4 Profile 20x20B slot 6, 6040mm - P20

Pieejams mūsu veikalā 91gab.
39.93 €/gab. (cena ar PVN)
gab. (daudzums)
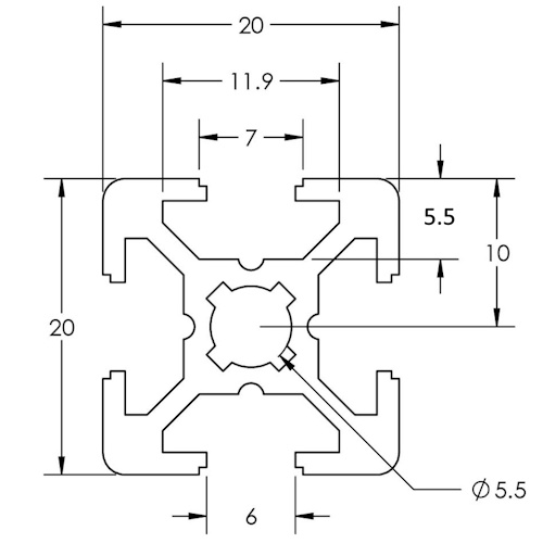
  • Tehniskie parametri:

  • Tips - B
  • Slot - 6
  • Izmēri 20x20
  • Gropju skaits - 4
  • Gropes platums - 6mm
  • Gropes dziļums - 5.5mm
  • Profila beigās paredzēta M6 vītnes iestrādāšana
  • Materiāls - ALMgSI0,5 F25 dabiski anodēts
  • Svars 0,439 Kg/m
  • Profilu griešana Jums nepieciešamajā garumā.
  • Minimālais garums: 50mm
  • Maksimālais garums: 6040mm
  • Ražots Eiropā